Overview
The MitySOM-AM57F is a highly configurable system on module that features a Texas Instruments AM57xx series 1.5 GHz Sitara Processor tightly integrated with the Xilinx Artix-7 Field Programmable Gate Array (FPGA), NOR FLASH, and DDR3 RAM memory subsystems. The design of the MitySOM-AM57F allows end-users the capability to develop programs/logic images for all of the compute elements on the TI AM57xx as well as for the FPGA. The MitySOM-AM57F provides a complete and flexible digital processing infrastructure necessary for the most demanding embedded applications development.
Appplications
- Embedded Instrumentation
- Factory Automation
- Industrial Communication
- Grid Infrastructure
- Industrial Drives
- Medical Instrumentation
- Embedded Control Processing
- Network Enabled Data Acquisition
- Test and Measurement
- Software Defined Radio
- Power Protection Systems
- Embedded Cameras
- Smart Vision Systems
Specifications
CPU
| TI AM57xx Application Processor | Sitara AM572x/AM574x Dual Cortex-A15 ARM |
| Max CPU Speed | 1.5GHz |
| L1 Program Cache | 32KB |
| L1 Data Cache | 32KB |
| L2 Cache | 2MB |
| TI DSP Processor | Up to 2 C66x floating-point DSPs |
| Max CPU Speed | 750MHz |
| L1 Program Cache | 32KB |
| L1 Data Cache | 32KB |
| Internal SRAM | 288KB |
Memory
| System Memory | Available for Both CPUs |
| RAM | Up to 2GB DDR3 RAM |
| NOR Flash | Up to 32MB |
| Xilinx Artix-7 FPGA Options | Up to XC7A50T |
| Logic Cells | 52,160 |
| Block RAM | 2700Kb |
Interfaces
- 96 FPGA I/O Pins
- 223 AM57xx Multiplexed IO’s
- 2x 10/100/1000 EMAC / MDIO
- 2x 10/100 EMAC supporting EtherCAT
- McASP (audio) interface
- Camera/Video Input
- 2x MMC/SD
- SATA-2 (6 Gbps)
- HDMI 1.4a Output
- 3x I2C, 3x UART, > 50 GPIO
- 1x USB 2.0 dual-role
- 1x USB 3.0 dual-role
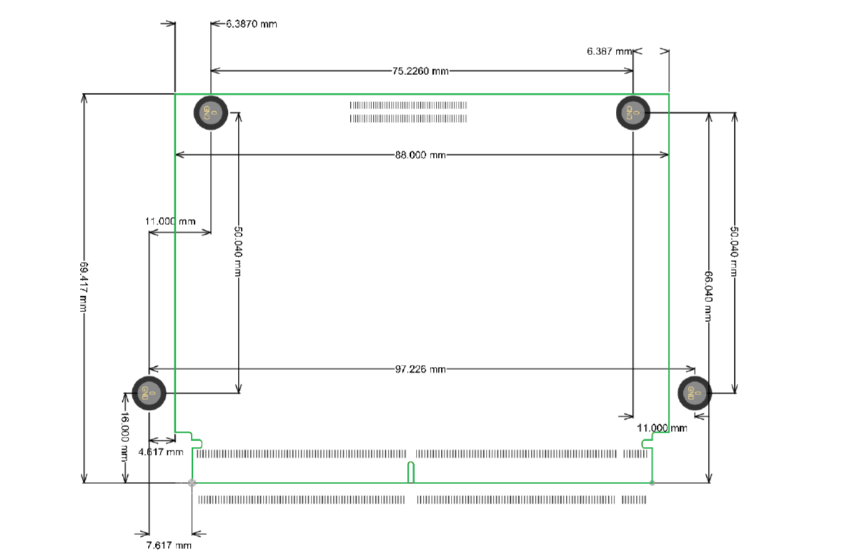
Mechanical
| Dimensions | Length | Width |
| Inches | 3.46 | 2.73 |
| Millimeters | 88.00 | 69.41 |

Block Diagram

Documentation
- MitySOM-AM57(F) Family Overview
- MitySOM-AM57F Data Sheet
- Carrier Board Design Guide
- TI Sitara AM5728 Product Information
- TI Sitara AM5748 Product Information
- TI Sitara AM5749 Product Information
- Xilinx Artix-7 Product Brief
- MitySOM-AM57 Family Product Change Notifications (PCN)
- MitySOM-AM57 Engineering Wiki
Development Resources
Development Tools and Software
Users of the MitySOM-AM57F are encouraged to develop applications and FPGA firmware using the hardware and software development kit provided by Critical Link. The development kit includes a board support package providing a Linux based distribution and compatible GCC compiler toolchain with debugger based on the TI Linux Software Development Kit. In addition, the development kit includes support libraries necessary to program the DSP core using the TI Code Composer Studio DSP compiler toolchain.
To support rapid FPGA and application development, several example projects are provided that demonstrate using both the 16-bit general-purpose memory controller (GPMC) and the PCIe interface between the FPGA and the TI AM57xx processor.
Development Kit
The MitySOM-AM57(F) Development Kit supports Critical Link’s Texas Instruments AM57xx and Xilinx Artix-7 based modules.
Each kit includes a compatible MitySOM-AM57(F) module and a base board that together feature an array of interfaces and expansion headers including FMC, USB 3.0, USB 2.0, Dual Gigabit Ethernet, Dual 10/100 Ethernet, HDMI, SATA, i2c, BT/WiFi, Audio In/Out, USB Debug UART, and Micro SD Card.
Technical Support
Our customers benefit from engineering and applications support for the life of their product. This includes free, lifetime access to our technical support site, as well as access to application engineering resources and other services.
- Visit our MitySOM-AM57x Wiki to access:
- Linux OS and board support package details, including source code
- Product change notices
- Base board design guide
- Development kit base board design files
- Software guide to getting started, tool chain, tips and how-to’s
- Hardware power draw, pin outs, shock and vibration, CAD files, mechanical drawings and 3D models
- Frequently asked questions
- Visit our MitySOM-AM57x Forum to access:
- Software, Hardware, and FPGA forums
Critical Link’s embedded design team also offers engineering services and other support options such as:
- Schematic design review for customer designed carrier boards
- Complete design review services
- Software development services, including custom BSP development
- Base board development services
- Systems Engineering, Software, and Hardware Design to support your project anywhere in the product development lifecycle
Contact us for more information on these services.
Purchase Options
The following table lists the standard configurations for Critical Link’s AM57 + Artix 7-based modules. For shipping status, availability, and lead time of these configurations please contact Critical Link at info@criticallink.com.
| Module P/N | CPU | FPGA | NOR | RAM Bank 1 | RAM Bank 2 | Temp | Buy |
| 5728-PJ-4AA-RC | AM5728 | 7A15T | 32MB | 1GB | 1GB | 0C to +70C | Buy |
| 5748-PJ-4AA-RC | AM5748 | 7A15T | 32MB | 1GB | 1GB | 0C to +70C | Buy |
| 5748-PJ-4AA-RI | AM5748 | 7A15T | 32MB | 1GB | 1GB | -40C to +85C | Buy |
| 5749-PJ-4AA-RC | AM5749 | 7A15T | 32MB | 1GB | 1GB | 0C to +70C | Buy |
| 5749-PJ-4AA-RI | AM5749 | 7A15T | 32MB | 1GB | 1GB | -40C to +85C | Buy |
| 5749-PM-4AA-RC | AM5749 | 7A50T | 32MB | 1GB | 1GB | 0C to +70C | Buy |
| 5749-PM-4AA-RI | AM5749 | 7A50T | 32MB | 1GB | 1GB | -40C to +85C | Buy |
Related Products
Why Critical Link
- Product Support
- Obsolescence Management
- US-Based Support
- Faster Time to Market
- Continuity of Supply
- Commitment to our Products
- Quality
- Long-Term Availability
- Industrial Performance
- Sourcing Advantages
- Flexible & Scalable
- Security





